抗諧波智能電容器 OVE800R
智能電容器 R 型是以△型或 Y 型低壓電力電容器為主體,采用微電子軟硬件技術、微型傳感器技術、微型網絡技術和電器制造技術等新技術成果,實現智能化低
壓無功補償功能,能方便地實現過零投切、保護、測量、信號指示、聯機等系列功能,是低壓無功自動補償濾波技術的重大突破。
產品主要應用于有諧波場合的無功補償,能夠可靠運行,不會產生諧振,對諧波無放大作用,并在一定程度上有吸收消除諧波的功能。其中串接 7% 電抗器的產
品使用于主要諧波為 5 次及以上的電氣環境,串接 14% 電抗器的產品使用于主要諧波為 3 次的電氣環境。
主要功能
1、抗諧波濾波功能:
◆有效的抑制諧波和涌流,對諧波形成低阻抗通路。防止電容器過載、絕緣介質的老化、自愈性能下降、使用壽命降低。
◆采用電子式過零投切開關,能準確的在電壓為零時投入,電流為零時切除,投切涌流小。
◆配電電壓、電流、無功功率、功率因數測量;CT 相位與變比自動測量、校正。
◆各臺電容器內部電流、內部溫度測量。
2、信號功能
電容器投切狀態、過欠補狀態、過欠壓狀態信號 ; 保護動作類型、自診斷故障類型信號。
3、通信功能
◆電容器和控制器之間采用 CAN 通信連接,便于大量采樣數據上傳及與外設監控。
◆終端可以進行信息交換,方便系統集成。
4、聯機功能
具備多個抗諧波無功補償器通信功能。
5、智能組網
可自動檢測及跟蹤系統無功的變化,自動投切電容器組。容量相同的電容器按循環投切原則,容量不同的電容器按適補原則投切。電容器先投先退、先退先投 ;
電容器運行溫度低的先投,運行溫度高的先退。
6、故障自診斷功能
電容器智能控制元件能對本體各項運行參數進行自診斷,一旦出現自檢故障,整機快速響應,退出運行。
智能電容器 OVE800C
常規智能電容器 OVE800C 型是應用于 0.4KV 低壓電網的新一代智能化電力無功補償裝置,它是以二組 ( △型 ) 或一組 (Y 型 ) 低壓電力電容器為主體,采用微電
子軟硬件技術、微型傳感技術、微型網絡技術和電器制造技術等新技術成果的無功補償裝置。
OVE800C 型普通型智能電容器,使用方便,具有過零投切、交流參數測量、自保護、自組網聯機等系列功能,可靈活使用于低壓無功補償的各種場合,具有結
構簡潔、生產方便、成本降低、性能提高、維護簡便等多項優點。
技術特點
1、投切開關電器耐電壓、耐電流沖擊能力強
智能電容器中的投退運行低壓電力電容器的投切開關電器使用電子式投切開關電器,其耐壓沖擊能力大于交流電壓3500V(直流電壓 5000V)以上,耐電流沖擊
能力達到 100 倍額定電流以上,投切額定次數超過 100 萬次以上。在當今復雜多變的電網電氣環境下,電磁式過零投切開關電器具有極好的工作可靠性。
2、投切開關電器的過零投切性能優異
智能電容器中的投切開關電器具有特殊的電子式過零投切技術,投切的偏移度小于 2.5°、投切涌流小于 2.5 倍額定電流,有效地保護低壓電力電容器投切過程無
涌流沖擊、無切除過電壓、無燃弧現象等。
3、保護功能
智能電容器具有過電、欠電、失電保護、短路保護、過電流及過溫保護等功能,有效保障智能電容器的安全,從而延長設備的使用壽命。
4、智能組網
智能電容器采用智能網絡技術構建 CAN 通訊網絡方式進行相互之間或外接設備之間聯機,滿足系統工作需要。
5、優質低壓電力電容器元件
低壓電力電容器元件采用邊緣加厚型鋅鋁復合鍍膜工藝,具有良好的導電性和穩定性,不易氧化 , 提高了自愈性能 , 容量衰減低、增強了抗涌流能力,工作時發
熱量小并且均勻,較大提高了低壓電力電容器的容量穩定性。
6、人機聯系良好
智能電容器采用數碼管顯示、LED 燈及按鍵進行人機聯系,清晰度不受環境影響。數碼管顯示器上實時顯示工況數據,概念明確、顯示值清晰,不同的 LED 燈
分別指示運行故障、運行切除、運行投入三種狀態。
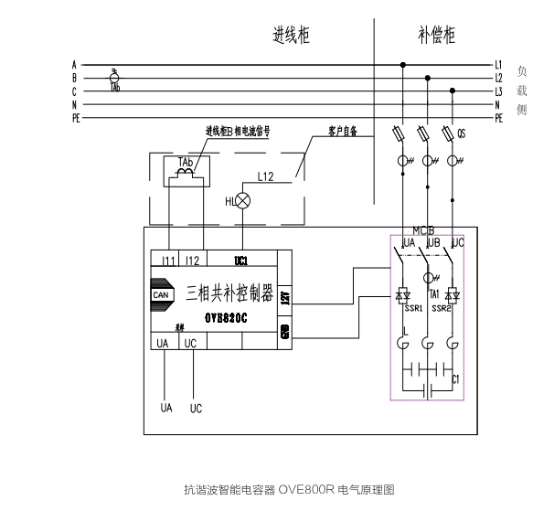
抗諧波智能電容器 OVE800R
電氣原理圖

技術參數
1、環境條件
環境溫度: - 45 ~ 65℃;
相對濕度:40℃,20 ~ 90%;
海拔高度:≤ 2000m。
2、電源條件
額定電壓:~ 220V/ ~ 380V;
電壓偏差:±20%;
電壓波形:正弦波,總畸變率不大于 5%;
工頻頻率:48.5 ~ 51.5Hz;
功率消耗:<0.5W(切除電容器時),<1W(投入二臺電容器時)。
3、電氣安全
電氣間隙與爬電距離、絕緣強度、安全防護、短路強度、采樣與控制電路防護均符合中華人民共和國電力行業標準 DL/
T842- 2003《低壓并聯電容器裝置使用技術條件》中對應條款要求。
4、測量誤差
電壓:≤ 0.5%(在 80 ~ 120% 額定電壓范圍內);
電流:≤ 1%(在 5% ~ 20% 額定電流范圍內),≤ 0.5%(在 20% ~ 120% 額定電流范圍內);溫度:±1℃。
5、保護誤差
電壓:≤ 0.5%;
電流:≤ 1.0%;
溫度:±1℃(電容器);±1℃(電抗器)
時間:±0.01s。
6、無功補償參數
電容器投切時隔:>10s;(1S~10S 定制)
無功容量:單臺≤ 40Kvar,分相≤ 30Kvar,聯機≤ 24 臺
7、可靠性參數
控制準確率:100%;
投切允許次數:100 萬次;
電容器容量運行時間衰減率:≤ 1%/年;
電容器容量投切衰減率:≤ 0.1%/萬次;
年故障率:≤ 0.1%。
智能電容器 OVE800C
電氣原理圖
